boitronphunsuong.com

Bơm dầu bôi trơn phun sương AMP-3F Chiba

Bơm dầu bôi trơn phun sương AMP-3F CHIBA

Description

Bơm dầu bôi trơn phun sương AMP-3F: Giải pháp bôi trơn hiện đại, chính xác

Bơm dầu bôi trơn phun sương AMP-3F thương hiệu CHIBA/Đài Loan là một thiết bị bôi trơn công nghiệp tiên tiến, được thiết kế để cung cấp lượng dầu bôi trơn một cách chính xác dưới dạng phun sương hoặc dòng chảy nhỏ giọt, đảm bảo các chi tiết máy móc, đặc biệt là các trục chính, ổ bi tốc độ cao, hoạt động trơn tru và kéo dài tuổi thọ. Sản phẩm này nổi bật với độ bền cao và tính năng điều khiển thông minh, là sự lựa chọn hàng đầu cho các nhà máy, xí nghiệp tại Việt Nam.

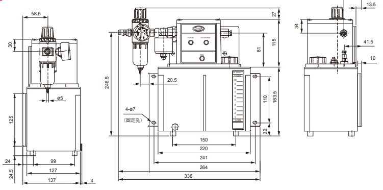
Bơm dầu bôi trơn phun sương AMP-3F_Sơ đồ cấu tạo

Thông số kỹ thuật nổi bật của AMP-3F

Đặc điểmThông số kỹ thuậtÝ nghĩa đối với người dùng
Thương hiệuCHIBA/Đài LoanĐảm bảo chất lượng, độ bền và độ tin cậy tự công nghệ sản xuất tiên tiến của Đài Loan.
Lưu lượng đầu ra (Outlet volume)0.3/0.36 L/minCung cấp lượng dầu ổn định, phù hợp cho nhu cầu bôi trơn định lượng chính xác
Áp suất áp dụng (Pressure applied)3-7 kg/cm2Khả năng phun dầu mạnh mẽ, đảm bảo dầu được phân phối đến các điểm bôi trơn xa hoặc khó tiếp cận.
Thể tích xả (Discharge volume)300 c.c./minCông suất bơm hiệu quả, đáp ứng nhu cầu bôi trơn liên tục trong môi trường công nghiệp.
Dung tích bình chứa (Tank capacity)4LDung tích lớn, giảm thiểu tần suất phải bổ sung dầu, tiết kiệm thời gian vận hành.
Bơm dầu bôi trơn phun sương AMP-3F_Sơ đồ đấu điện

Ưu điểm vượt trội với tính năng thông minh

Bơm dầu bôi trơn phun sương AMP-3F không chỉ là một chiếc bơm mà còn là một hệ thống bôi trơn tự động hoàn chỉnh nhờ được trang bị các công nghệ điều khiển hiện đại:

  • Bộ điều khiển PLC tích hợp (With PLC controller): Cho phép người dùng thiết lập và điều chỉnh chính xác thời gian bơm, thời gian nghỉ theo chu kỳ (intermittent lubrication), đảm bảo lượng dầu được cung cấp vừa đủ, tránh lãng phí và không gây quá tải cho hệ thống.
  • Công tắc phao (Float switch): Đây là tính năng an toàn quan trọng. Công tắc phao sẽ tự động cảnh báo hoặc ngắt bơm khi mức dầu trong bình chứa xuống quá thấp, bảo vệ bơm khỏi tình trạng chạy khô và nhắc nhở người vận hành bổ sung dầu kịp thời.
  • Cơ chế phun sương (Mist Lubrication): Với đặc thù là bơm phun sương, thiết bị tạo ra các hạt dầu cực mịn, tối ưu cho việc bôi trơn các bộ phận yêu cầu độ chính xác cao và làm mát hiệu quả, đặc biệt là các bộ phận quay tốc độ cao.

Ứng dụng tiêu biểu

Với khả năng hoạt động ổn định và chính xác, Bơm dầu bôi trơn phun sương AMP-3F là lựa chọn lý tưởng cho các loại máy móc sau:

  • Máy công cụ CNC: Bôi trơn trục chính (Spindle), ray trượt.
  • Máy dệt, máy in: Các bộ phận chuyển động nhanh.
  • Hệ thống băng tải, xích tải: Bôi trơn định kỳ các mắt xích.
  • Các thiết bị công nghiệp khác cần bôi trơn định lượng và phun sương.

Đầu tư vào Bơm dầu bôi trơn phun sương AMP-3F thương hiệu CHIBA/Đài Loan là một quyết định thông minh, giúp doanh nghiệp tối ưu hóa chi phí bảo trì, nâng cao hiệu suất làm việc và đảm bảo tuổi thọ lâu dài cho tài sản máy móc của mình. Liên hệ với chúng tôi ngay hôm nay để nhận tư vấn chi tiết về sản phẩm này!

Tham khảo thêm: Bơm dầu bôi trơn phun sương YSM-C ISHAN

Lên đầu trang