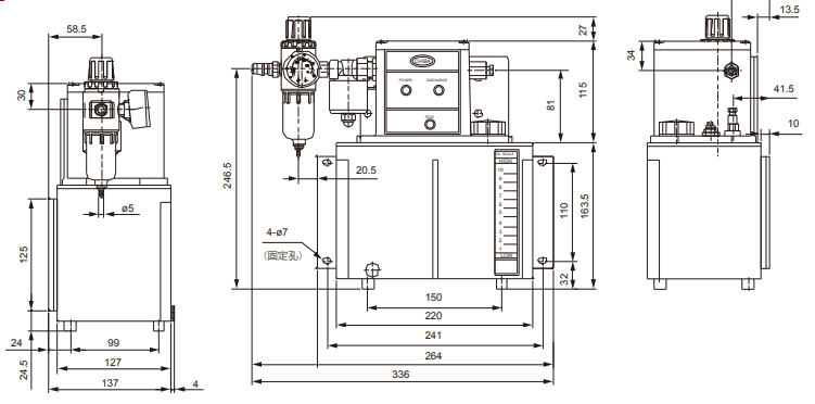
Bơm dầu bôi trơn phun sương AMP-3CF của thương hiệu CHIBA/Đài Loan là giải pháp bôi trơn tự động, chính xác cho máy móc công nghiệp. Với lưu lượng đầu ra 0.3/0.36 L/min và áp suất làm việc 3-7 kg/cm², sản phẩm này cung cấp dầu dưới dạng phun sương, tối ưu hóa hiệu quả bôi trơn và tiết kiệm dầu. AMP-3CF được tích hợp bộ điều khiển hẹn giờ thông minh (thời gian nghỉ 1-99 phút, thời gian chạy 1-99 giây) và công tắc phao báo mức dầu, đảm bảo hoạt động liên tục và an toàn cho hệ thống máy móc của bạn. Dung tích bình chứa 4L giúp giảm tần suất bảo trì.
Description
Bơm Dầu Bôi Trơn Phun Sương AMP-3CF – Giải Pháp Bôi Trơn Tối Ưu Cho Máy Móc
Trong ngành công nghiệp chế tạo máy và gia công cơ khí chính xác, việc bôi trơn hiệu quả là yếu tố then chốt quyết định đến tuổi thọ, hiệu suất và độ chính xác của thiết bị. Thấu hiểu nhu cầu này, CHIBA (Đài Loan) đã mang đến giải pháp tối ưu với sản phẩm Bơm dầu bôi trơn phun sương AMP-3CF – một thiết bị không thể thiếu trong hệ thống bôi trơn tự động hiện đại.

Ưu Điểm Nổi Bật Và Ứng Dụng
Bơm dầu bôi trơn phun sương AMP-3CF được thiết kế chuyên biệt để cung cấp lượng dầu bôi trơn một cách chính xác dưới dạng phun sương (Mist Lubrication). Phương pháp này không chỉ giúp tiết kiệm dầu tối đa mà còn đảm bảo dầu được phân tán đều, thẩm thấu sâu vào các bề mặt ma sát như trục chính, ray trượt, và các chi tiết chuyển động tốc độ cao trong máy CNC, máy tiện, máy phay…
Hiệu Suất Vượt Trội Với Thông Số Ấn Tượng
| Đặc điểm | Thông số kỹ thuật |
| Thương hiệu | CHIBA/Đài Loan |
| Lưu lượng đầu ra (Outlet volume) | 0.3/0.36 L/min |
| Áp suất áp dụng (Pressure applied) | 3-7 kg/cm2 |
| Thể tích xả (Discharge volume) | 300 c.c./min |
| Dung tích bình chứa (Tank capacity) | 4L |
Sản phẩm này sở hữu những thông số kỹ thuật mạnh mẽ, đảm bảo hoạt động ổn định và đáng tin cậy:
- Lưu lượng đầu ra (Outlet): Đạt 0.3/0.36 L/min, cung cấp lượng dầu vừa đủ, tránh lãng phí và tích tụ dầu thừa.
- Áp suất làm việc (Pressure applied): Hoạt động hiệu quả trong dải 3-7 kg/cm², đảm bảo dầu được phun sương mịn và đi tới mọi điểm bôi trơn cần thiết.
- Thể tích xả (Discharge volume): 300 c.c./min, cho khả năng cung cấp dầu nhanh chóng khi cần.
- Dung tích bồn chứa (Tank capacity): Lớn 4L, giảm tần suất phải bổ sung dầu.
Tính Năng Thông Minh Giúp Tự Động Hóa Tuyệt Đối
Điểm khác biệt lớn của Bơm dầu bôi trơn phun sương AMP-3CF là tích hợp các tính năng thông minh, nâng cao khả năng tự động hóa và giám sát:
- Bộ Điều Khiển Thời Gian (With Timer controller):
- Thời gian nghỉ (Release time): Có thể điều chỉnh từ 1-99 phút, cho phép người dùng tối ưu hóa chu kỳ bôi trơn theo yêu cầu của máy.
- Thời gian chạy (Running time): Có thể cài đặt từ 1-99 giây, đảm bảo lượng dầu cung cấp chính xác tuyệt đối trong mỗi chu kỳ.
- Công Tắc Phao Báo Mức Dầu (With float switch):
- Tính năng an toàn quan trọng này sẽ tự động ngắt hoặc báo động khi mức dầu trong bồn chứa xuống quá thấp, ngăn ngừa tình trạng máy móc bị hỏng hóc do thiếu dầu khi vận hành tự động trong thời gian dài.
Với những ưu điểm về hiệu suất, khả năng kiểm soát chính xác và tính năng tự động vượt trội, Bơm dầu bôi trơn phun sương AMP-3CF của CHIBA (Đài Loan) chính là sự lựa chọn top đầu để bảo vệ và nâng cao hiệu suất hoạt động của các thiết bị máy móc công nghiệp đắt tiền của bạn.
Tham khảo thêm: Bơm dầu bôi trơn phun sương YSM-A ISHAN
